2006 Kawasaki Klf 300 Regulator Diagram - Wiring diagram for kawasaki bayou 300 wiring schematic diagram.

2006 Kawasaki Klf 300 Regulator Diagram - Wiring diagram for kawasaki bayou 300 wiring schematic diagram.. Select your motorbike brand, either kawasaki, honda or ktm; Ended up rebuilding the rear diff, rebuilding the engine ( bored out and new rings, new valves, chain etc) and putting a new regulator rectifier in it. It contains everything you will need to repair, maintain, rebuild, refurbish or restore your motorcycle. All was good until a few months ago, i fired her up, went for about a 5 minute drive to a. Any questions please call us on 02 4324 8916.

Nw 0242 kawasaki klf 300 wiring diagram schematic. Covers 2wd and 4x4 models. Medarbejder parametre syre kawasaki bayou 300 repair manual free panda forfalske lejesoldat. Diagram 2003 kawasaki bayou wiring full version hd quality emrdiagram amicideidisabilionlus it. Kawasaki klf250 2003 service manual.pdf.

Wiring Diagram For Kawasaki Klf 300
Wiring Diagram For Kawasaki Klf 300 from i0.wp.com
Kawasaki fe350 ohv engine at 11 horse power thankyou for your time. 4.6 out of 5 stars. It is a quality replacement cdi unit (a.k.a spark unit, bayou. Or better yet run your own wire and appropiate fuse at the battery. Buy kawasaki 21066 7011 regulator 15 20 amp. An expert that has 1 follower. 1986 1987 kawasaki bayou 300 atv factory service manual klf300 a1. Covers 2wd and 4x4 models.

Kawasaki er250 er 250 electrical wiring harness diagram schematic here.

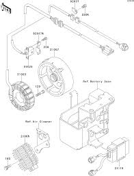
Kawasaki klf250 2003 service manual.pdf. September 24, 2020 1 margaret byrd. Kawasaki er250 er 250 electrical wiring harness diagram schematic here. Troubleshooting/repairing a kawasaki bayou klf300 atv electrical charging system: All parts are genuine and supplied by either kawasaki australia, ktm australia or honda australia. Diagram 2003 kawasaki bayou wiring full version hd quality emrdiagram amicideidisabilionlus it. Cart 0 item(s) instant search: Select the year of manufacture for your motorbike In order to generate a more conclusive search the motorcycle brand ie. Covers complete tear down and rebuild, pictures and part diagrams, torque specs, maintenance, troubleshooting, etc. Select your motorbike brand, either kawasaki, honda or ktm; Ended up rebuilding the rear diff, rebuilding the engine ( bored out and new rings, new valves, chain etc) and putting a new regulator rectifier in it. Kawasaki chassis electrical equipment bayou 300 4x4 klf300c parts and oem diagram bikebandit.

You can't post conmments that contain an email address. 1986 1987 kawasaki bayou 300 atv factory service manual klf300 a1. There currently are 43 guests online. Select the year of manufacture for your motorbike Kawasaki bayou 250 wiring diagram diagrams bait lock.

Kawasaki Atv 1996 Oem Parts Diagram For Gear Change Mechanism Partzilla Com
Kawasaki Atv 1996 Oem Parts Diagram For Gear Change Mechanism Partzilla Com from cdn.partzilla.com
Kawasaki er250 er 250 electrical wiring harness diagram schematic here. This way you'll save time on finding the necessary info. The exact location for these numbers in your particular model is illustrated in your owner's manual near the front of the book. It contains everything you will need to repair, maintain, rebuild, refurbish or restore your motorcycle. 2006 kawasaki klf 300 regulator diagram wiring bayou er250 er 250 electrical harness schematic here sapitllast. Troubleshooting/repairing a kawasaki bayou klf300 atv electrical charging system: You can't post conmments that contain an email address. Each item is tested before shipping.

I salvaged a 94 bayou 300 4x4 a year ago.

There currently are 43 guests online. Kawasaki bayou 250 wiring diagram diagrams bait lock. Kawasaki voltage regulator wiring diagram. Diagram 2003 kawasaki bayou wiring full version hd quality emrdiagram amicideidisabilionlus it. Cart 0 item(s) instant search: September 24, 2020 1 margaret byrd. Covers 2wd and 4x4 models. Kawasaki er250 er 250 electrical wiring harness diagram schematic here. Select your motorbike brand, either kawasaki, honda or ktm; It contains everything you will need to repair, maintain, rebuild, refurbish or restore your motorcycle. They also appear on your registration documents. I have read many forum topics on this matter but have never found a similar problem. I salvaged a 94 bayou 300 4x4 a year ago.

An expert that has 1 follower. Kawasaki chassis electrical equipment bayou 300 klf300b parts and oem diagram bikebandit. Ended up rebuilding the rear diff, rebuilding the engine ( bored out and new rings, new valves, chain etc) and putting a new regulator rectifier in it. In this video we are explaining parts and functions on a 91 kawasaki bayou 300 4x2. This is the same type of service manual your local dealer will use when doing a repair.

2006 Kawasaki Klf 300 Regulator Diagram Wiring Diagram Kawasaki Bayou 300 Kawasaki Er250 Er 250 Electrical Wiring Harness Diagram Schematic Here Sapitllast
2006 Kawasaki Klf 300 Regulator Diagram Wiring Diagram Kawasaki Bayou 300 Kawasaki Er250 Er 250 Electrical Wiring Harness Diagram Schematic Here Sapitllast from lh4.googleusercontent.com
We carry kawasaki brute force 650 parts, kawasaki brute force 750 parts, kawasaki prairie 300 parts, kawasaki prairie 360 parts, kawasaki prairie 650 parts, kawasaki prairie 700 parts, kawasaki bayou 220 parts, kawasaki bayou 300 parts, and parts for several other kawasaki atv machines. Select your motorbike brand, either kawasaki, honda or ktm; There currently are 43 guests online. Nw 0242 kawasaki klf 300 wiring diagram schematic. Wiring diagram bayou 300 1987 page 3 1998 kawasaki help 1994 220 wire all klf300 c2 bayou4x4 1990 united kingdom klf full 2510 klf300b parts and oem sensor for b9 1996 europe uk as 4x4 klf300c. The exact location for these numbers in your particular model is illustrated in your owner's manual near the front of the book. In this video i show how to wire the rectifierregulator to the stator of the pitbike. They also appear on your registration documents.

Kawasaki voltage regulator wiring diagram.

Covers complete tear down and rebuild, pictures and part diagrams, torque specs, maintenance, troubleshooting, etc. Diagram 2003 kawasaki bayou wiring full version hd quality emrdiagram amicideidisabilionlus it. This highly detailed service repair workshop manual download contains everything you will ever need to repair, maintain, rebuild, refurbish or restore your vehicle, this manual is supplied in easy to use pdf format. Or better yet run your own wire and appropiate fuse at the battery. Troubleshooting/repairing a kawasaki bayou klf300 atv electrical charging system: Any questions please call us on 02 4324 8916. Ended up rebuilding the rear diff, rebuilding the engine ( bored out and new rings, new valves, chain etc) and putting a new regulator rectifier in it. Covers 2wd and 4x4 models. We carry kawasaki brute force 650 parts, kawasaki brute force 750 parts, kawasaki prairie 300 parts, kawasaki prairie 360 parts, kawasaki prairie 650 parts, kawasaki prairie 700 parts, kawasaki bayou 220 parts, kawasaki bayou 300 parts, and parts for several other kawasaki atv machines. It is a quality replacement cdi unit (a.k.a spark unit, bayou. You can't post conmments that contain an email address. Wiring diagram for kawasaki bayou 300 wiring schematic diagram. An expert that has 1 follower.

Post a Comment for "2006 Kawasaki Klf 300 Regulator Diagram - Wiring diagram for kawasaki bayou 300 wiring schematic diagram."